Description


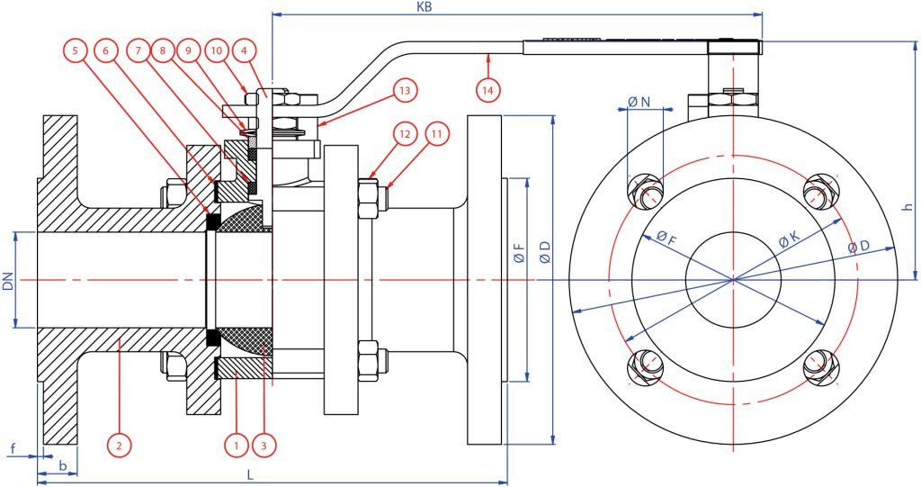
| 1 | Body | Valve Weight (Kg) | ||
| 2 | Cover | DN15 (½”) | 2.50 | |
| 3 | Ball | DN20 (¾”) | 3.70 | |
| 4 | Stem | DN25 (1”) | 4.50 | |
| 5 | Ball Seal | DN321 (¼”) | 6.80 | |
| 6 | Body Seal | DN40 (1½”) | 9.40 | |
| 7 | Neck Seal | DN50 (2”) | 12.20 | |
| 8 | Pressure Ring | DN65 (2½”) | 18.80 | |
| 9 | Bowl Washer | DN80 (3”) | 25.50 | |
| 10 | Counter Nut | DN100 (4”) | 43.00 | |
| 11 | Stud Bolt | DN125 (5”) | 62.00 | |
| 12 | Nut | DN150 (6”) | 95.00 | |
| 13 | Stopping Pim | DN150 (8”) | 172.00 | |
| 14 | Handle | |||
| PN40 WAFER VALVE DIMESIONS BY SIZE (mm) | |||||||
| DN (Inch) | L | KB | h | f | D | K | F |
| DN15 (½”) | 130 | 150 | 80 | 2 | 95 | 65 | 46 |
| DN20 (¾”) | 150 | 150 | 85 | 2 | 105 | 75 | 56 |
| DN25 (1”) | 160 | 185 | 90 | 2 | 115 | 85 | 65 |
| DN32 (1¼”) | 180 | 240 | 100 | 2 | 140 | 100 | 76 |
| DN40 (1½”) | 200 | 280 | 120 | 3 | 150 | 110 | 84 |
| DN50 (2”) | 230 | 280 | 125 | 3 | 165 | 125 | 99 |
| DN65 (2½”) | 290 | 330 | 150 | 3 | 185 | 145 | 118 |
| DN80 (3”) | 310 | 400 | 160 | 3 | 200 | 160 | 132 |
| DN100 (4”) | 350 | 460 | 175 | 3 | 235 | 190 | 156 |
| DN125 (5”) | 400 | 460 | 200 | 3 | 270 | 220 | 184 |
| DN150 (6”) | 450 | 670 | 265 | 3 | 300 | 250 | 211 |
| DN200 (8”) | 550 | 750 | 325 | 3 | 375 | 320 | 284 |
| PN40 WAFER VALVE HOLE DIMESIONS BY SIZE (mm) | ||||
| DN (Inch) | Hole | N | G | S |
| DN15 (½”) | 4 | 14 | 36 | M5 |
| DN20 (¾”) | 4 | 14 | 36 | M5 |
| DN25 (1”) | 4 | 14 | 42 | M5 |
| DN321 (¼”) | 4 | 18 | 42 | M5 |
| DN40 (1½”) | 4 | 18 | 50 | M6 |
| DN50 (2”) | 4 | 18 | 50 | M6 |
| DN65 (2½”) | 8 | 18 | 70 | M8 |
| DN80 (3”) | 8 | 18 | 70 | M8 |
| DN100 (4”) | 8 | 22 | 102 | M10 |
| DN125 (5”) | 8 | 26 | 125 | M12 |
| DN150 (6”) | 8 | 26 | 125 | M12 |
| DN200 (8”) | 12 | 30 | 125 | M12 |


