Wafer Ball Valve Steel Cast PN40

0,00

Wafer ball valve is a compact and versatile type of valve used to control fluid flow in pipelines. Its streamlined design allows it to fit between two flanges without the need for additional connectors. The ball inside the valve rotates to regulate or shut off the flow of liquids or gases. Wafer ball valves are commonly used for various applications where space is limited and efficient flow control is essential.

DESIGN STANDARTS
Flange Connections EN 1092-1
End to End Dimensions EN 558-1
Tests EN 12266-1

Applications:

LPG, Natural Gas, Petrochemicals, Industrial Applications etc.

SKU: N/A Category:

Description


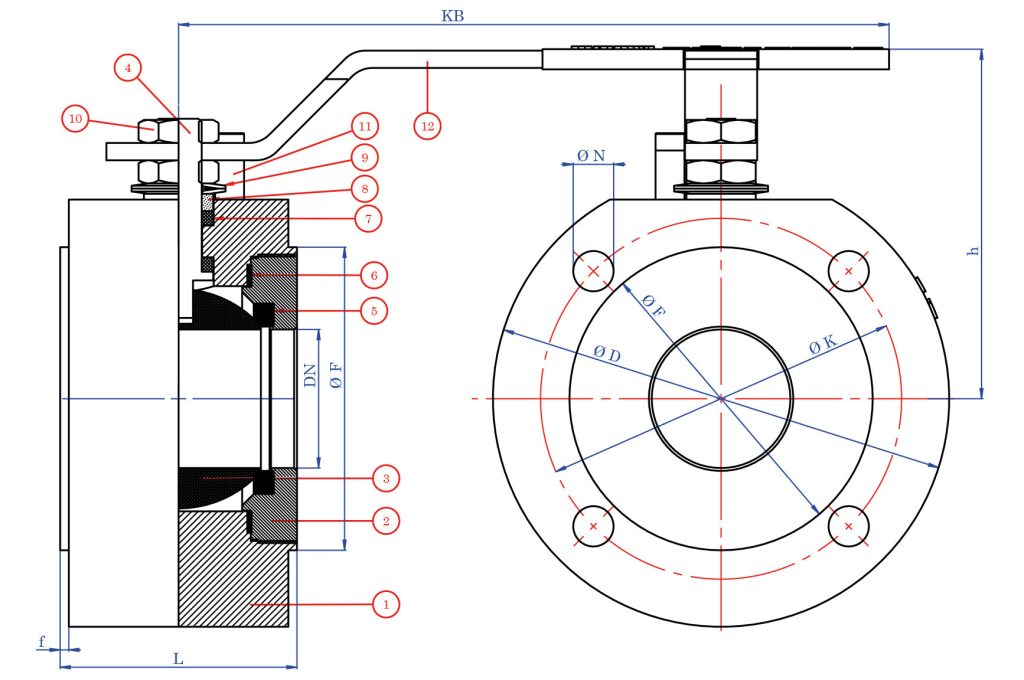
1 Body Valve Weight (Kg)
2 Cover DN15 (½”) 1.45
3 Ball DN20 (¾”) 1.90
4 Stem DN25 (1”) 2.80
5 Ball Seal DN321 (¼”) 5.00
6 Body Seal DN40 (1½”) 6.50
7 Neck Seal DN50 (2”) 10.50
8 Pressure Ring DN65 (2½”) 14.50
9 Bowl Washer DN80 (3”) 21.50
10 Counter Nut DN100 (4”) 36.00
11 Stopping Pim DN125 (5”) 65.00
12 Handle DN150 (6”) 85.00
PN40 WAFER VALVE DIMESIONS BY SIZE (mm)
DN (Inch) L KB h f D K F
DN15 (½”) 39 150 80 2 88 65 50
DN20 (¾”) 42 150 85 2 98 75 60
DN25 (1”) 47 185 90 2 109 85 68
DN321 (¼”) 58 240 100 2 135 100 78
DN40 (1½”) 65 280 120 3 147 110 88
DN50 (2”) 84 280 125 3 167 125 105
DN65 (2½”) 105 330 150 3 178 145 125
DN80 (3”) 120 400 160 3 198 160 132
DN100 (4”) 150 460 175 3 233 190 162
DN125 (5”) 200 460 200 3 270 220 188
DN150 (6”) 235 670 240 3 310 250 218

PN40 WAFER VALVE HOLE DIMESIONS BY SIZE (mm)
DN (Inch) Hole N G S
DN15 (½”) 4 M12 36 M5
DN20 (¾”) 4 M12 36 M5
DN25 (1”) 4 M12 42 M5
DN321 (¼”) 4 M16 42 M5
DN40 (1½”) 4 M16 50 M6
DN50 (2”) 4 M16 50 M6
DN65 (2½”) 8 M16 70 M8
DN80 (3”) 8 M16 70 M8
DN100 (4”) 8 M20 102 M10
DN125 (5”) 8 M20 125 M12
DN150 (6”) 8 M22 125 M12

Additional information

Size

DN15, DN20, DN25, DN32, DN40, DN50, DN65, DN80, DN100